ANATOLIA - Cargo allemand - Deutsche Levante Linie

Avatar de l’utilisateur
markab
Messages : 7075
Inscription : dim. déc. 19, 2010 1:00 am

ANATOLIA - Cargo allemand - Deutsche Levante Linie

Message par markab »

Bonjour à tous,

Le récit de la capture du vapeur ANATOLIA, en septembre 1916 par la Marine française :

L'affaire grecque - Guiot Pierre - page de garde.jpg
L'affaire grecque - Guiot Pierre - page de garde.jpg (71.21 Kio) Consulté 561 fois
L'affaire grecque - Guiot Pierre - page 410.jpg
L'affaire grecque - Guiot Pierre - page 410.jpg (73.79 Kio) Consulté 561 fois

Après sa capture, le navire sera affecté à la Marine britannique et sera renommé POLTOLIA.

A bientôt.
Cordialement / Best regards
Marc.

A la recherche des navires et des marins disparus durant la Grande Guerre.
Avatar de l’utilisateur
markab
Messages : 7075
Inscription : dim. déc. 19, 2010 1:00 am

Re: ANATOLIA - Cargo allemand - Deutsche Levante Linie

Message par markab »

Bonjour à tous,

Voici la fiche Miramar du vapeur ANATOLIA et futur POLTOLIA :

ANATOLIA A.jpg
ANATOLIA A.jpg (106.67 Kio) Consulté 560 fois
ANATOLIA B.jpg
ANATOLIA B.jpg (119.91 Kio) Consulté 560 fois

En 1929, le navire sera racheté par l'armement Busck et renommé KABYLE.


A bientôt.
Cordialement / Best regards
Marc.

A la recherche des navires et des marins disparus durant la Grande Guerre.
Avatar de l’utilisateur
markab
Messages : 7075
Inscription : dim. déc. 19, 2010 1:00 am

Re: ANATOLIA - Cargo allemand - Deutsche Levante Linie

Message par markab »

Bonjour,

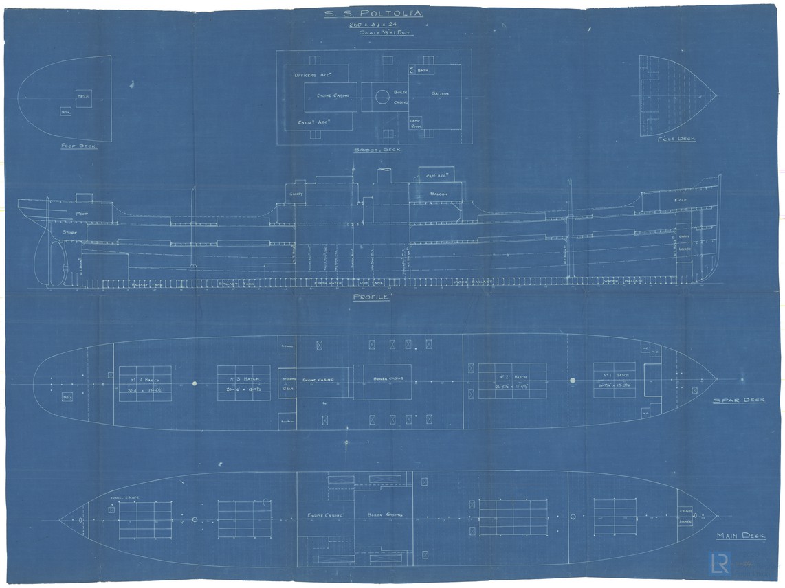
Sur le site LR Foundation, le dossier technique du POLTOLIA, ex ANATOLIA et futur KABYLE : https://hec.lrfoundation.org.uk/archive ... lia/page/1


Il y a notamment un plan du navire :

POLTOLIA LRF-PUN-W1108-0034-P_0001 réduit.jpg
POLTOLIA LRF-PUN-W1108-0034-P_0001 réduit.jpg (152.58 Kio) Consulté 553 fois

A bientôt.
Cordialement / Best regards
Marc.

A la recherche des navires et des marins disparus durant la Grande Guerre.
Avatar de l’utilisateur
markab
Messages : 7075
Inscription : dim. déc. 19, 2010 1:00 am

Re: ANATOLIA - Cargo allemand - Deutsche Levante Linie

Message par markab »

Bonjour,

Une CPA du vapeur KABYLE ex ANATOLIA :

KABYLE - Compagnie Nouvelle de Navigation Busck - Sète
KABYLE - Compagnie Nouvelle de Navigation Busck - Sète
KABYLE ex ANATOLIA.jpg (341.27 Kio) Consulté 526 fois

A bientôt.
Cordialement / Best regards
Marc.

A la recherche des navires et des marins disparus durant la Grande Guerre.
Avatar de l’utilisateur
markab
Messages : 7075
Inscription : dim. déc. 19, 2010 1:00 am

Re: ANATOLIA - Cargo allemand - Deutsche Levante Linie

Message par markab »

Bonjour à tous,

Dans l'ouvrage de Pierre Guiot, il est indiqué que les navires saisis dont la propriété est transférée au Royaume Uni reste sous pavillon français jusqu'à l'arrivée des équipages britanniques. Les navires concernés sont :
  • ATHENA
  • KORANA
  • ANATOLIA
  • MALTA
  • SERIPHOS
  • BERGER WILHELM

ANATOLIA
ANATOLIA
L'affaire grecque - Guiot Pierre - page 414 b.jpg (91.84 Kio) Consulté 477 fois

A bientôt.
Cordialement / Best regards
Marc.

A la recherche des navires et des marins disparus durant la Grande Guerre.
Rutilius
Messages : 15979
Inscription : mar. avr. 22, 2008 2:00 am

ANATOLIA — Cargo — Deutsche Levante Linie A.G., Hambourg (1910~1916).

Message par Rutilius »

Bonjour à tous,

Conseil des prises, décision du 29 novembre 1917

[12 navires allemands et austro-hongrois, dont le cargo Anatolia]


Journal officiel du 9 janvier 1918, p. 401 et 402.

J.O. 9-I-1918 - 401 - .JPG
J.O. 9-I-1918 - 401 - .JPG (938.75 Kio) Consulté 452 fois

J.O. 9-I-1918 - 402 - .JPG
J.O. 9-I-1918 - 402 - .JPG (909.4 Kio) Consulté 452 fois
Bien amicalement à vous,
Daniel.
Rutilius
Messages : 15979
Inscription : mar. avr. 22, 2008 2:00 am

ANATOLIA — Cargo — Deutsche Levante Linie A.G., Hambourg (1910~1916).

Message par Rutilius »

Bonjour à tous,

Recueil des traités et des engagements internationaux enregistrés
par le Secrétariat de la Société des Nations
, 1921, Vol. 6, n°ˢ 1 à 4, Texte n° 146, p. 32 et 33.


R.T.E.I. 1921, Vol. VI., n° 146, 32 - .jpg
R.T.E.I. 1921, Vol. VI., n° 146, 32 - .jpg (345.1 Kio) Consulté 450 fois

R.T.E.I. 1921, Vol. VI., n° 146, 33 - .jpg
R.T.E.I. 1921, Vol. VI., n° 146, 33 - .jpg (351.11 Kio) Consulté 450 fois
Bien amicalement à vous,
Daniel.
Répondre

Revenir à « Navires et équipages »