Page 1 sur 1
Hispano-Suiza.
Publié : lun. juil. 25, 2022 11:00 am
par humanbonb
Bonjour à tous,
Un membre aurait il des manuels techniques ou des vues des différentes variantes du moteur Hispano-Suiza 200HP.
Je cherche à identifier une pompe de pression (à air) pour ce type de moteur.
En vous remerciant.
Cordialement.
Re: Hispano-Suiza.
Publié : lun. juil. 25, 2022 4:12 pm
par Mercadal P
Bonjour.
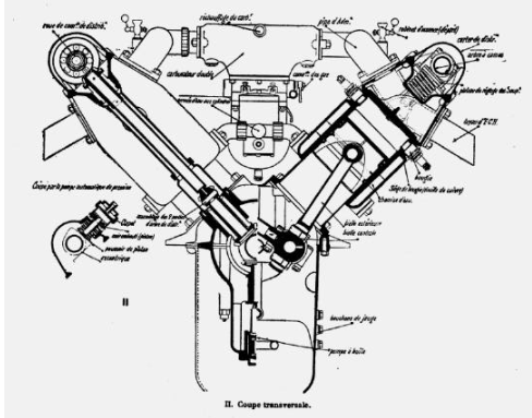
Là, à gauche, isolée.

- Screenshot 2022-07-25 at 15-50-31 Moteurs de légende -V8 Hispano-Suiza - v8hispanosuiza.pdf.png (123.42 Kio) Consulté 1266 fois
Le cylindre ( on dirait une boite avec un couvercle ) qui dépasse , sur la droite, perpendiculaire au couvre-arbre à cames qu'on voit au premier plan :

- V 8 Hispano Suiza.jpg (12.84 Kio) Consulté 1262 fois
Au revoir.
PML
Re: Hispano-Suiza.
Publié : lun. juil. 25, 2022 5:51 pm
par humanbonb
Merci bien.
J'ai également obtenu une réponse de l'Association Memorial Flight.
Bonne soirée.
Cdlt.
Re: Hispano-Suiza.
Publié : mer. juil. 27, 2022 10:27 am
par Mercadal P
Bonjour.
Est-il possible de connaître cette réponse ?
Au revoir.
PML
Re: Hispano-Suiza.
Publié : mer. juil. 27, 2022 6:26 pm
par humanbonb
Bonjour,
La voici :
"Cette pompe équipe les moteurs Hispano-Suiza V8 d'aviation de de la première guerre mondiale (150cv à 240cv selon les modèles). On la trouve sur toute cette gamme de moteur indifféremment de la puissance.
Cet équipement permet de pressuriser et régler la pression du circuit d'air qui pressurise les réservoirs d'essence. En fait ce n'est pas l'essence qui est aspiré dans une pompe, mais l'air des réservoirs est pressurisé pour pousser l'essence dans le circuit (nécessaire si l'avion utilise un réservoir qui ne fonctionne pas par simple gravité).
Cyrille M.
Association Memorial Flight"
Bonne soirée.
Cdlt.
Re: Hispano-Suiza.
Publié : jeu. juil. 28, 2022 11:42 am
par Mercadal P
Bonjour.
Merci pour votre réponse.
Cette technique a été également employée dans l'automobile; en particulier chez Bugatti et sur le type 35 ou le réservoir d'essence est mis sous pression par une pompe à air entrainée par l'arbre à cames ; comme il n'existe pas d'exhausteur, donc pas de réserve d'essence immédiatement employable pour le démarrage du moteur , cela nécessite la présence d'une pompe à main dans le poste de pilotage.

- moteur35.jpg (90.45 Kio) Consulté 1073 fois
On voit la pompe , à droite , petit élement en laiton et cuivre , au dessus de la culasse ( non détachable elle ) et le tuyau de cuivre qui court au sommet du bloc ( le couvre arbre à cames à été retiré )

- Planche bor Bugatti.jpg (51.24 Kio) Consulté 1073 fois
Toute en bas de la planche de bord , à gauche, on voit la poignée de la pompe à air, à main.
On trouve ça, aussi, sur des tourismes américaines, voir ici la mise en route d'une Cadillac :
https://www.youtube.com/watch?v=2O_M_w2ekzw
Chez Rolls -Royce certains modèles de Phantom ont été équipés d'une pompe à air aspirante celle-là, donc créant une dépression, le carburant étant alors aspiré via un exhausteur . Il parait que ce choix technique, bien qu'utiliser la dépression existant dans les pipes d'admission ( et c'était le cas général ) aurait été beaucoup plus simple, évitait le bruit de sucion pouvant en découler ; l'ingénieur britannique à l'ouie fine ...
Au revoir.
PML