A l'issue des combats des Groupements Schneider Bossut et Chaubès du 17 Avril 1917, l'Artillerie Spéciale a été amenée à trouver des solutions à tous les problèmes qui se sont révélés dans ce premier engagement des chars français.
Tous les domaines ont été touchés (organisation, tactique, instruction, matériels . . . ).
Si un bon nombre de ces problèmes avaient déjà été identifiés, le temps avait généralement manqué pour y remédier.
Le char lui-même a profondément été remanié. Au premier abord les photos ne révèlent qu'assez peu l'importance de ces transformations.
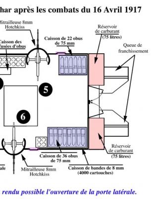
Ces modifications ont principalement porté sur le déplacement des réservoirs de carburant et l'ouverture d'une porte sur le côté gauche du char.
La création de la porte latérale a conduit à la réorganisation du stockage des munitions dans le char.
Elles étaient sur le Schneider M1 stockées verticalement. Elles seront, pour la plupart, dans le Schneider M2 stockées horizontalement.
Voici en deux schémas une présentation de ces modifications.




Au travers de cette restitution faite à partir des plans d'époque du SHD, il est aisé de voir que le Schneider du musée de Saumur a subi des modifications importantes. Le caisson d'obus arrière droit du char de Saumur ne correspond ni a un modèle 1 ni à un modèle 2, et le caisson avant gauche n'existe plus.
Il est intéressant de noter que sur le Schneider modèle 1, le caisson d'obus avant gauche était amovible et simplement fixé par des cornières.
Lors du début des travaux de modification, il ne restait qu'environ 70 chars à construire. Ces derniers chars seront directement mis aux normes
à l'usine Somua de St Ouen.
Tous les autres chars modifiés l'ont été à Champlieu à partir de Juillet 17. La modification d'un char prenait deux jours.
Si visiblement tous les Schneider M1 opérationnels ont été équipés des réservoirs à l'arrière, il semble que tous les chars n'aient pas été équipés de porte latérale. En effet des photos de chars détruits en 1918 n'ont apparemment pas cette porte.
Il pourrait cependant s'agir de chars qui, suite à des destructions partielles au combat, ont été réparés avec des plaques de blindage sans que puissent être replacer une porte. Tout ceci reste à vérifier.
Après Juvincourt les Schneider ont été engagés en Mai à Laffaux. Il s'agissait donc toujours de version modèle 1 sans modification.
Concernant le Schneider de Saumur, la porte latérale n'est pas des plus conforme car elle n'est pas équipée de la plaque additionnelle de blindage de 8 mm et que sa trappe d'observation est toujours présente. Avec la porte latérale (doublée de leur blindage de 8 mm) il ne restait plus qu'un trou rond d'observation.
Sur les Schneider M1,simplement équipés du surblindage, il existait des versions avec trappe d'observation et avec trou rond d'observation.




